Compacta GP6
Silnik z przekładnią nasadową Compacta GP6 firmy Framo to napęd elektromechaniczny, w przypadku którego prędkość obrotowa wbudowanego silnika elektrycznego jest redukowana na dwóch poziomach przekładni do pożądanej wartości co umożliwia uzyskanie pożądanego momentu obrotowego. Silnik przekładniowy został zaprojektowany w szczególności pod kątem naziemnych osłon basenowych małego typu (ok. 4 x 8 m). Z reguły osłony takie składają się z pływających lameli, które są ciągnięte względnie popychane na powierzchni wody. Zwijanie i rozwijanie lameli jest możliwe dzięki bębnowi zwijanemu napędzanemu przez Compacta GP6.
Seria Compacta umożliwia w przypadku modeli GP6, GS12 i GR30 pracę w zakresie momentu obrotowego o wartości od 60 do 250 Nm.
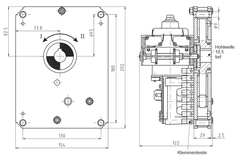
Wymiary

PL
DE
EN
US
TR


